Double-sided ultra-smooth plano-concave mirror substrate

Double-sided ultra-smooth plano-concave mirror substrate


Our double-sided ultra-smooth plano-concave mirror substrate is a high-precision optical core component. With customized structural design, superior optical performance and multiple material options, it perfectly fits the demanding application requirements in high-power lasers, high-precision optical inspection, semiconductor manufacturing and inspection, providing low-loss, high-precision light reflection and regulation solutions for all kinds of precision optical systems.

Core product parameters

The product meets the standards of high-end optical components in terms of dimensional accuracy, optical indicators, and material selection. The key technical parameters are presented in dimensions as follows:

External dimensions parameters

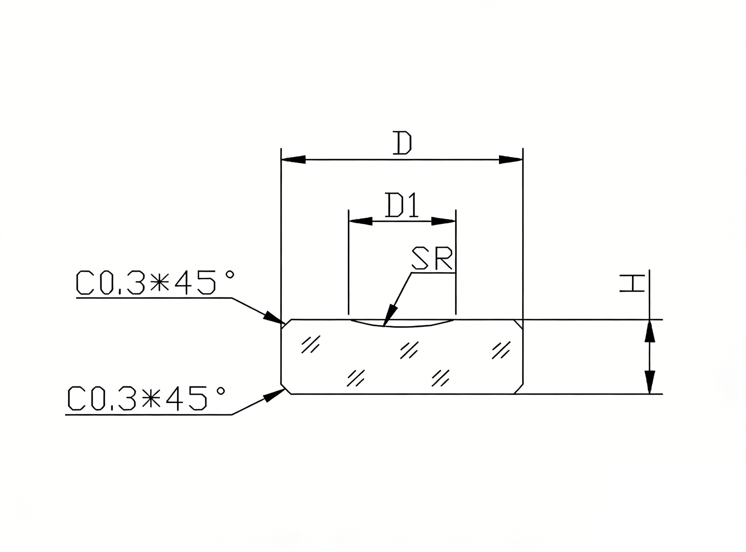
Project

Specific    metrics

Diameter   (D)

φ8-φ50.8mm (tolerance ±0.1mm); φ50.8-φ100mm (tolerance ±0.1mm)

Thickness   (H)

4-8mm   (tolerance ±0.5mm); D/8 (tolerance ±0.5mm)

Beveling

0.2   ~ 0.5 x 45 °

Tee   size

1/2D   < Tee size (customizable)

Surface shape accuracy and surface defects

Project

Specific    metrics

Surface   shape accuracy

λ/2-λ/10 @632.8nm

Parallax

<   15"

Roughness   (Ra)

Ra0.12nm   (Zygo profilometer, 173×173um full range, 50x lens full range measurement)

Surface   defects

10-5

Base material

ULE glass, fused quartz glass, microcrystalline glass, sapphire, K9, single crystal silicon ULE

Core product advantages

Customized structural design

Open ball size supports customization, diameter and      thickness grading for different scenarios, standardized beveling design can precisely match the assembly and usage requirements of various optical systems, with strong flexibility.

Ultra-precision optical performance

Surface shape accuracy up to λ/2-λ/[email protected],  parallelism less than 15 ", roughness as low as Ra0.12nm significantly reduces light reflection loss and ensures the accuracy and stability of optical signal transmission.

Flexible selection of multiple materials

A variety of  base material options such as ULE glass, sapphire, and single crystal silicon ULE are available, which can be customized according to the  specific requirements of different scenarios such as semiconductor manufacturing and high-power laser applications, with excellent      adaptability.

High specification surface quality

Surface defects up to 10-5 industry high standards, no obvious surface defects, effectively avoiding light scattering and reflection deviations, meeting the strict requirements for component surfaces in fields such as high-precision optical inspection.

High-precision  dimensional control

The full specification diameter tolerance is strictly controlled within ±0.1mm, and the thickness tolerance is ±0.5mm.With high dimensional accuracy, it can be directly assembled and use reducing the secondary processing cost for customers and improving production efficiency.

Core application areas:

Core applications in high-power lasers, high-precision optical inspection, semiconductor manufacturing, semiconductor inspection, etc., are key fundamental components in various high-end precision optical reflection systems, providing core optical support for the stable operation of equipment.



Quick Inquiry