UltraOpto M12-10F Series Industrial Lens
UltraOpto’s M12-10F Series is a precision-engineered 10mm fixed focal length industrial lens designed for 1/1.8" and 1/3" sensors, delivering 6MP resolution with flexible aperture options (F5.6 / F7.0 / F8.0 / F11). Built for high-precision machine vision, metrology, and automation applications, this full-thread lens combines ultra-low distortion, consistent illumination, and rugged durability to meet the strictest industrial imaging requirements.
Core Optical Performance
6MP High Resolution:
Delivers sharp, crisp imagery ideal for barcode scanning, robotic guidance, and critical quality control applications.
Dual Sensor Compatibility:
Seamlessly works with 1/1.8" (7.2×5.4mm) and 1/3" (4.8×3.6mm) sensors, offering flexibility for different camera system designs.
Broad Working Distance Range:
Supports focus from 100mm to infinity, covering close-up inspection and long-range monitoring scenarios.
72% Relative Illumination:
Minimizes vignetting across the entire image frame, ensuring consistent brightness from center to edge for reliable analysis.
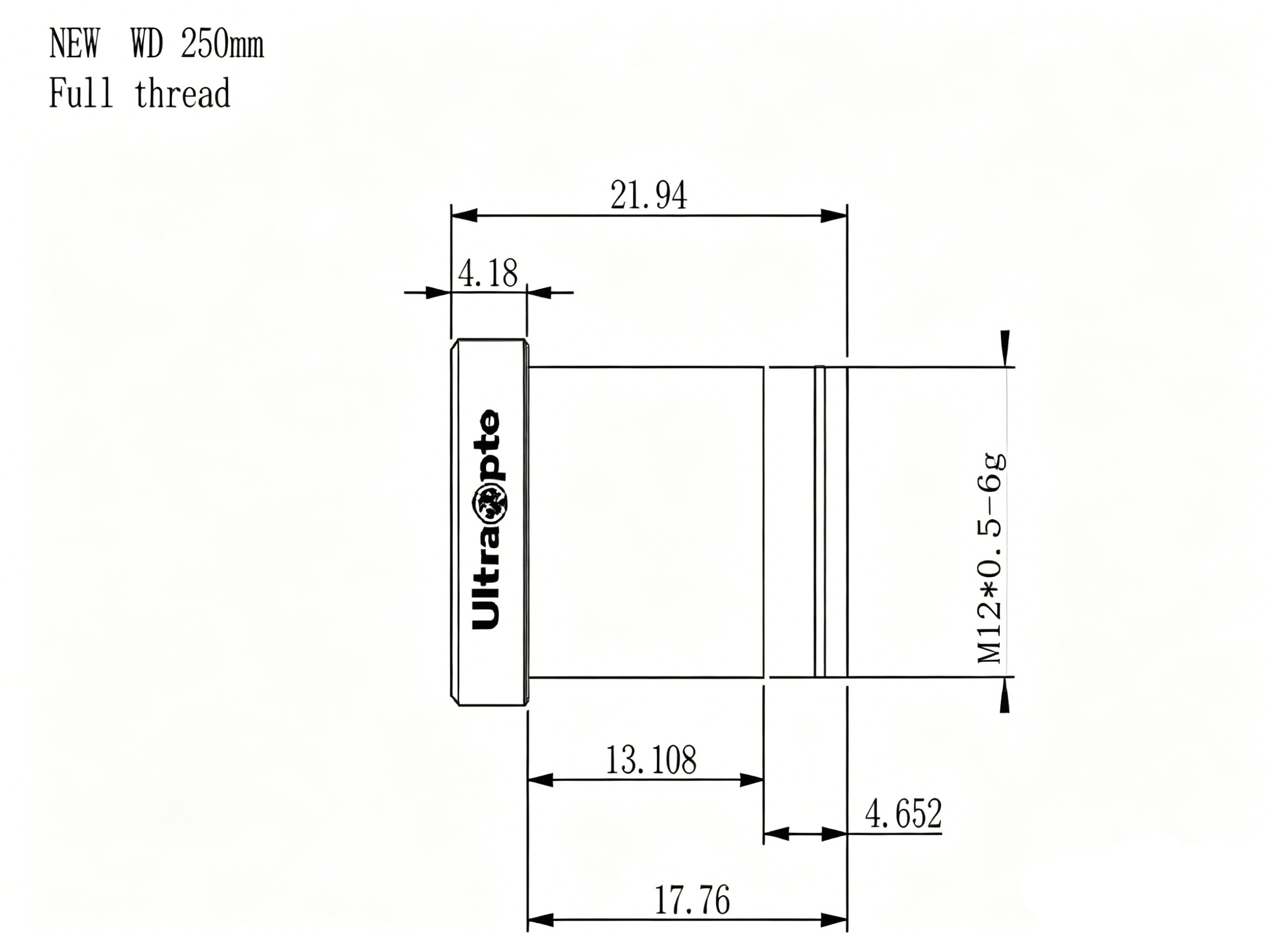
Compact, Industrial-Grade Design
5.02mm Back Focal Length (BFL):
Optimized for easy integration with 1/1.8" and 1/3" sensors, simplifying system calibration and design.
Durable Full-Thread Construction:
Provides a secure, stable mount compatible with standard industrial camera modules, ideal for high-vibration industrial environments.
Wide Temperature Resilience:
Operates reliably from -30°C to +70°C, ensuring continuous 24/7 performance in harsh industrial settings.
Flexible Aperture Options for Targeted Applications
F5.6:
Balanced light intake for general automation and inspection tasks.
F7.0:
Versatile performance for mid-range imaging and standard detection workflows.
F8.0 / F11:
Enhanced depth of field for precise dimensional measurement and detail-oriented inspection.
Key Product Highlights
10mm fixed focal length with 4 aperture options (F5.6–F11) for versatile scene adaptation.
6MP high-resolution imaging with ultra-low -0.50% distortion for precise industrial measurement.
Dual compatibility with 1/1.8" and 1/3" sensors, supporting flexible system design.
100mm–∞ wide working distance range, covering near and far imaging scenarios.
Compact M12 full-thread mount, 72% relative illumination, and -30°C~+70°C wide temperature range for reliable industrial operation.
Key Application Scenarios
Precision dimensional measurement and metrology
Logistics barcode scanning and automated sorting
Robotic vision guidance and object recognition
Industrial assembly line inspection and monitoring
Embedded vision systems and portable imaging devices
